Контрольная работа: Определение электрических нагрузок и расчет электрических сетей жилых зданий
ВАРИАНТ №12
Расчётно-графическая работа № 2
По дисциплине: «Электроснабжение промышленных и коммунальных объектов».
Тема: Определение электрических нагрузок и расчет электрических сетей жилых зданий.
|
№ варианта |
Количество этажей |
Количество квартир на этаже |
Плиты |
Количество стояков |
| 12 | 12 | 5 | Э | 3 |
Площадь однокомнатной квартиры - 55 м2
Площадь двухкомнатной квартиры - 95 м2
Площадь трехкомнатной квартиры - 135 м2
Удельная мощность для квартир с газовыми плитами - 0,56 квт/ед.
Удельная мощность для квартир с электроплитами - 0,92 квт/ед.
СОДЕРЖАНИЕ
1. Вступление
2. Принцип построения схем распределения электрической энергии внутри жилых зданий
3. Схема 12-ти этажного односекционного жилого дома
4. Описание схемы электроснабжения 12-ти этажного дома
5. Метод определения электрических нагрузок в жилых зданиях
6. Расчётные нагрузки жилых домов 2 категории
6.1 Расчетная нагрузка питающих линий, вводов и на шинах 0,4 кВ ТП от электроприемников квартир
6.2. Расчетная нагрузка силовых электроприемников жилого дома
6.3. Расчёт нагрузки освещения общедомовых помещений
6.4. Расчетная нагрузка жилого дома в целом (от жилья, силовых электроприемников и встроенных или пристроенных помещений)
7. Выбор линий стояков.
8. Электропроводка в доме
1. Вступление
2. Принцип построения схем распределения электрической энергии внутри жилых зданий
Схемы распределения электрической энергии внутри жилых зданий зависят от надёжности электроснабжения, числа этажей, секций, планировочного решения здания, наличия подвального этажа, и встроенных предприятий и учреждений (магазины, ателье, сберкассы, мастерские, и т.п.)
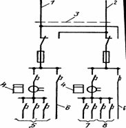
Эти схемы имеют общий принцип построения. В каждом многоэтажном здании устанавливаются вводно-распределительное устройство для присоединения внутренних электрических сетей к внешним питающим линиям, а также для распределения электрической энергии внутри здания и защиты отходящих линий от перегрузок и коротких замыканий. Для электроснабжения квартир от ВРУ отходят питающие линии, состоящие из горизонтальных и вертикальных (стояков) участков. К горизонтальному участку каждой линии могут присоединятся один или несколько стояков.
Однако следует учитывать, что при коротком замыкании на одном из стояков сработает защита на ВРУ и питающая линия отключится, при этом большое количество квартир останется без питания. Поэтому для повышения надёжности питания квартир, а также для удобства выполнения ремонтных работ следует на каждом ответвлении к стояку устанавливать отключающий и защитный аппарат (рис. 1).

1-питающая линия; 2-стояки; 3-отключающий и защитный аппараты.
Кроме линий, питающих квартиры, от ВРУ отходят внутридомовые линии, питающие освещение холлов, лестниц, коридоров, а также электродвигатели лифтов, насосов, вентиляторов и электроприёмников системы дымозащиты.
3. Схема 12-ти этажного односекционного жилого дома
Принципиальная схема 12-этажного односекционного
жилого дома приведена на рис.2.
Рис.2. Принципиальная схема 12-ти этажного односекционного жилого дома
4. Описание схемы электроснабжения 12-ти этажного дома
Как видно из схемы, питание электроприёмников здания осуществляется двумя взаиморезервируемыми кабелями 1, рассчитанные на питание (в аварийном режиме) всех его нагрузок. При выходе из строя одного из питающих кабелей все электроприёмники с помощью переключателей 2, установленных на панели ВРУ, подключаются к кабелю, оставшемуся в работе.
Для защиты панелей ВРУ от короткого замыкания на вводах установлены плавкие предохранители 3.
Для учёта расхода электроэнергии от электроприёмников общественного назначения (рабочее освещение лестничных клеток, подвала, чердака, домовых помещений и силовые потребители, в том числе лифты, и аварийное освещение лестничных клеток) устанавливается трёхфазный счётчик 5, включаемый через трансформатор тока 4. Для подавления радиопомех на каждой фазе вводов устанавливают по одному помехозащитному конденсатору типа КЗ-05 ёмкостью 0,5 мкФ. Конденсаторы 7 снабжены предохранителями 6 и заземлены. Отходящие линии от ВРУ защищаются автоматическими выключателями 8. К стоякам 9 (секция III), питающим квартиры, подключены этажные квартирные щитки, которые установлены в электрошкафах 10, размещённых на лестничных клетках (ЛК).
На каждую группу квартир устанавливается один трёхполюсный пакетный выключатель 11, который подключается к двум фазам и нулевому проводу стояка.
В электрошкафу устанавливают также однофазные квартирные счётчики 12 и групповые щитки 13 с автоматическими выключателями или предохранителями для защиты групповых линий квартир. К специальной панели (секция I), на которой предусмотрено устройство АВР (автоматическое включение резерва), подключаются вентиляторы системы дымозащиты 14, щитки управления и эвакуационное освещение. Присоединение этой панели к двум вводам до переключателей 2 с помощью устройства АВР всегда обеспечивает бесперебойное её электроснабжение. От секции II по питающим линиям питаются лифтовые установки 15 и эвакуационное освещение. К секции III через автоматический выключатель16 и приборы учёта расхода электроэнергии подключена секция IV, от которой питаются общедомовые помещения. От панели V питаются штепсельные розетки для уборочных машин и аварийное освещение машинного лифтов и электрощитовой.
В каждую квартиру
независимо от количества в ней комнат для питания осветительных и бытовых электроприёмников
с газовыми плитами, как правило, проложены две однофазные группы с алюминиевыми
проводами сечением 2,5
. Одна питает
общее освещение, другая - штепсельные розетки. Допускается и смешанное питание,
при этом штепсельные розетки, устанавливаемые в квартире, должны присоединятся
к разным групповым линиям. Там, где есть кухонные электрические плиты,
предусматривается третья групповая линия для их питания.
Нормами регламентировано
число штепсельных розеток, устанавливаемых в квартирах: в жилых комнатах и
общежитиях—одна розетка на каждые полные и неполные
площади
комнаты; в коридорах квартир—одна розетка на каждые полные и неполные
площади; в общей комнате
квартир, оборудованных кондиционерами,--дополнительная розетка на ток 10А для
подключения кондиционера. В кухнях площадью до
--три
штепсельные розетки на ток 6 А, а на
и
более—четыре для подключения холодильника, бытового прибора, надплитного
фильтра, динамика радиовещания.
Одна штепсельная розетка с заземляющим контактом:
на ток 10А для подключения бытового прибора мощностью 2,2кВт,
на ток 25А для подключения бытового прибора мощностью до 4 кВт или электроплиты мощностью до 5,8кВт, на то 40А для подключения электроплиты мощностью от 5,9 до 8кВт. Допускается установка розеток в ванных комнатах для подключения электробритв, массажных приборов и т.п. при условии, что они подключены через разделяющие трансформаторы мощностью 20ВА, имеющие коэффициент трансформации 1:1 и конструкцию повышенной надёжности. Эти трансформаторы служат для отделения электроприёмников от первичной сети и заземления.
Штепсельные розетки должны быть установлены на высоте 0,8-1м от пола.
При скрытой проводке розетки допускается устанавливать на высоте 0,3 м от пола, а также непосредственно над плинтусом или встроенными в плинтус, с защитными устройствами, закрывающими штепсельные гнёзда при вынутой вилке.
Горизонтальные линии, отходящие от ВРУ дома и питающие электроприёмники квартир, лестничных клеток, лифтовых установок и т.д., могут выполнятся проводами марок АПВ, АВР и АПРТО, прокладываемых по техническому подполью или подвалу открыто в тонкостенных металлических и винипластовых трубах или коробах и лотках. При отсутствии в здании таких помещений эти линии прокладываются под полом первого этажа.
Вертикальные линии (стояки) выполняются проводами тех же марок, но прокладываются скрыто каналах стен лестничных клеток или по поэтажным коридорам (карманам). В крупнопанельных и крупноблочных зданиях стояки прокладываются по каналам, выполненным на заводе в стеновых бетонных электроблоках или электропанелях.
Питающие линии лифтовых установок прокладываются либо в каналах электропанелей, либо в трубах шахт лифтов. Если к одной питающей линии подключено несколько лифтов, то для присоединения последующих лифтовых установок прокладывается магистраль в кровле или по чердаку в трубах.
Групповая сеть квартир выполняется плоскими проводами марок ППВ, АППВ и АПН. Эти провода прокладываются без труб в слое подготовки пола, под штукатуркой стен и потолков, в щелях и пустотах строительных конструкций, а также в каналах строительных конструкций, образуемых при изготовлении железобетонных, гипсобетонных и других панелей на заводе.
Если создание каналов в строительных конструкциях затруднено, групповая сеть квартир закладывается в толщу железобетонных, керамзитовых, и газобетонных конструкций в процессе их изготовления на заводе. Такая проводка является несменяемой, и на практике её называют «замоноличенной». Применение этих проводок допускается с некоторыми ограничениями, в частности, их запрещается закладывать в конструкции, в которых бетонные смеси имеют добавки, вредно действующие на изоляцию и жилы проводов (алюминат натрия, поташ и т.п.). Тепловая обработка строительных конструкций должна длиться не более 24часов при температуре не выше 100 С.
Начинают применять прокладку всех видов квартирной сети в электрических плинтусах: проводов освещения и подключения бытовых приборов, сети телефона, радиотрансляции и телевидения. Проводку в плинтусах легко можно сменить, она удобна для монтажа и эксплуатации.
5. Метод определения электрических нагрузок в жилых зданиях
Метод определения электрических нагрузок в жилых зданиях существенно отличается от методов определения электрических нагрузок в производственных, общественных и подсобных зданиях. Если электрические нагрузки (осветительная и силовая) в производственных, общественных и подсобных зданиях определяют, исходя из установленной мощности, полученной в результате светотехнического расчёта, и установленной мощности технологического оборудования с учётом режимов его работы, то величины электрических нагрузок в жилых зданиях зависят от насыщенности квартир осветительными и электробытовыми приборами (телевизоров, радиоприёмников, холодильников и т.п.). Поскольку количество электроприборов и время их использования жильцами зависят от многих факторов, то электрические нагрузки жилых квартир являются случайными, что создаёт трудности для их определения. В жилых зданиях при определении нагрузок используют метод, основанный на теории вероятностей и многолетних исследований. За основу метода принята удельная нагрузка в киловаттах на одну квартиру (семью). Значение удельной нагрузки зависит от размера жилой площади каждой квартиры, числа квартир присоединённых к данному элементу сети, вида кухонных приборов (газовые, электрические и прочие плиты).
Многоквартирные жилые дома относятся ко II категории комфорта.
Жилые дома II категории имеют два уровня электрификации быта: с газовыми плитами и с электроплитами для пищеприготовления, как по заданию.
В состав электроприемников квартир II категории входят: освещение, розеточная сеть, электроплита, стиральная машина с электроподогревом, телерадиоаппаратура, бытовой прибор мощностью до 2,2 кВт, пылесос, холодильник.
При проектировании многоквартирных домов и при определении удельных нагрузок приняты следующие мощности электроприемников: Освещение – 2,8 кВт ;Розеточная сеть – 2,8 кВт ;Электроплиты – 9-1 0,5 кВт;Стиральная машина – 2,2 кВт; Водонагреватель аккумуляционный – 2 кВт;Бытовые электроприборы – 4 кВт.
![]()
Рж.п.=0,92 кВт/кв ; N=60кв ; РжN =0,92*60=55,2 кВт. Уточним эту цифру с учётом поправочных коэффициентов для удельной электрической нагрузки.
5. Расчётные нагрузки жилых домов 2 категории
Схема
электроснабжения квартиры- на рис.3.
Расчетную нагрузку питающих линий, вводов и на шинах 0,4 кВ ТП от электроприемников квартир следует определять по формуле:
![]()
где
- удельная нагрузка
электроприемников квартир, принимаемая по табл.2.1. в зависимости от количества
квартир, присоединенных к линии (вводу ТП), типа кухонных плит и общей площади
квартир.
n1 - nn - количество квартир, имеющих одинаковую общую площадь.
k1 - kn - повышающие коэффициенты для квартир плоРис.3. Электроснабжение квартиры площадью более 60 м2
Таблица 6.1
| Хар-ка квартир | Удельная расчетная нагрузка электроприемников, кВт/квартиру при количестве квартир | |||||||||||||
| 1 | 3 | 6 | 9 | 12 | 15 | 18 | 24 | 40 |
60 |
100 | 200 | 400 | 600 и более | |
| С плитами на природном газе | 5,5 | 3,6 | 2,8 | 2,1 | 1,75 | 1,55 | 1,4 | 1,2 | 0,95 | 0,85 | 0,72 | 0,6 | 0,54 | 0,52 |
| С электрическ. плитами мощностью до 9 кВт | 8,8 | 7,0 | 4,5 | 3,3 | 2,8 | 2,5 | 2,3 | 2,1 | 1,75 |
1,5 |
1,35 | 1,15 | 1,1 | 1,0 |
По заданию имеем односекционный 12-ти этажный с первым жилым этажом.(т.е. не магазин, а квартиры на 1-м этаже);
5 квартир на этаже (3 однокомнатных квартиры 55 м2 (до 60 м2 ), одна двухкомнатная квартира – 95 м2, одна трёхкомнатная квартира – 125 м2);
Общее количество квартир в 12-ти этажном доме 12*(3+1+1)=12*5=60 шт.
а) По таблице 6.1 определяется удельная нагрузка для 60 квартир:Руд. = 1,5 кВт/квартиру.
б) Определяется нагрузка квартир в доме:
Ркв. = Ркв.уд. (n1k1 + n2k2 + n3k3),
где n1 – кол-во квартир 55 м2 (до 60 м2 ) ; n1= 36 шт;
n2 – кол-во квартир 95 м2 ; n2 =12 шт;
n3 – кол-во квартир 125 м2 ; n3 =12 шт;
k1, k2, k3 - поправочные коэффициенты. Выбираются исходя из того, что удельные расчетные нагрузки приведены для квартир общей площадью 60 м2. При общей площади квартир более 60 м2 удельную нагрузку следует увеличивать на 1% на каждый квадратный метр дополнительной площади в домах с плитами на природном газе и на 0,5% в домах с электрическими плитами. В обоих случаях увеличение удельной нагрузки не должно превышать 25% значений, приведенных в таблице 6.1.
Для квартиры 55 м2 ; к1=1;
Для квартир 95 м2 дополнит. площадь 95-60=45 м2; 45*0,5%=45*0,5/100=0,225; к2=0,225
Для квартир 125м2 дополнит. площадь 125-60=65 м2; 65*0,5%=65*0,5/100=0,325; к3=0,325.
Ркв. = 1,5 (36 · 1+ 12 · 0,225+ 12 · 0,325) = 1,5*42,6=63,9 кВт.

где Рл1 …Рлп - установленая мощность электродвигателя каждого из лифтов по паспорту, пусть в доме лифты (7 + 4,5 кВт); Рл1=7кВт; Рл2=4,5кВт
Таблица 5.1
| Число лифтовых установок | Коэффициент спроса для домов высотой | |
| до 12 этажей | 12 этажей и выше | |
| 2-3 | 0,8 | 0,9 |
| 4-5 | 0,7 | 0,8 |
| 6 | 0,65 | 0,75 |
| 10 | 0,5 | 0,6 |
| 20 | 0,4 | 0,5 |
| 25 и более | 0,35 | 0,4 |
Таблица 5.2
| Коэффициент спроса при числе электродвигателей сантехустройств | |||||||||
| 2 | 3 | 5 | 8 | 15 | 20 | 30 | 50 | 100 | 200 |
| 1 | 0,9 | 0,8 | 0,75 | 0,7 | 0,65 | 0,6 | 0,55 | 0,55 | 0,5 |
Рсил = (7+4,5)*0,9+(22+7,5+2,4)*0,68 =32 кВт
Удельные расчетные нагрузки квартир учитывают нагрузку освещения общедомовых помещений.
Для выбора приборов учета и аппаратов защиты общедомовых потребителей суммарную расчетную нагрузку освещения общедомовых помещений Pp.о.п. рекомендуется определять по формуле:
Рр.о.п. = (Рр.л.к. + Рр.л.х. + Рр.к. + Рр.в.) + 0,5 Рр.пр.,
где Рр.л.к., Рр.л.х., Рр.к., Рр.в., - расчетные нагрузки освещения лестничных клеток, лифтовых холлов, коридоров, вестибюля;
Освещение лестниц: при освещённости 10 лк (выбор по справочной таблице) и установке потолочных плафонов мощность лампы на каждом этаже принимается 60 Вт. Т.е для каждого пролёта лестниц используется 1 световой прибор мощностью Р=0,06 кВт . Такая же лампа в светильнике при входе.
Рр.л.к =13*60= 780 Вт =0,78 кВт ;
Пусть Рр.л.х также = 0,48кВт ; Рр.к., Рр.в – коридоров и вестибюлей нет - не учитываем
Рр.пр. - расчетная нагрузка освещения мусороуборочных камер-нет, чердаков (3лампы*40Вт), техподполий-нет, подвалов(3лампы*40Вт), колясочных-нет и т.п. = 240Вт=0,24Квт. Рроп = 0,78+0,48+0,5*0,24=1,38 кВт≈1,4 кВт
Расчетную нагрузку групповых сетей освещения общедомовых помещений следует определять по светотехническому расчету с коэффициентом спроса равным единице.
![]()
где Рж = 63,9 кВт - расчетная нагрузка квартир
Рсил =32,0 кВт расчетная нагрузка силового оборудования (лифтов и ЭД сантехустройств).
ΣР1 ... Рn = 1,4 кВт расчетные нагрузки встроенных или пристроенных помещений, питающихся от электрощитовой жилого дома (к=1)- лестничные пролёты, чердак, подвал
Рбуд.ж =63,9+0,9*32,0+1,4= 94 кВт
Для расчёта сети - освещение лестниц не учитываем, тогда
Рбуд.ж1 =63,9+0,9*32,0+0,6= 93,3≈93 кВт
Расчётный ток нагрузки: I =93,3/ (√3*0,38) =141,8 А
В домах с электроплитами cosφ =0,98, значит Iрасч=141,8/0,98=144,7 А
Для защиты питающей линии на ВРУ устанавливаем автоматический выключатель А3716ФУ3 с комбинированными расцепителями на номинальный ток 160А.
Определяем ток теплового расцепителя: Iрасц ≥Iрасч =144,7. Принимаем ток теплового расцепителя 160А. По расчётному току Iрасч =144,7 по таблице для трёх проводов марки АПВ, проложенных в каналах , выбираем сечение 70мм².(Iдоп пров=160А) и сечение нулевого провода 35мм². Общая запись АПВ 3(1×70)+ 1×35.

7. Выполним выбор линий стояков:
Рр.ст.= Р кв.уд*n= 1,5*60 = 90 кВт ;
Q р.ст.= Рр.ст*tg φ =90*0,2= 18 кВар
Iст.1=Iст.2=Iст.3=
=
=91,78/0,658 = 139,5 А.
Расчётная нагрузка линий, питающей 5 квартир на каждой лестнице:
Р=1,5*5*0,5 = 3,75 кВт ; Расчётный ток : I =3,75/ (√3*0,38) =5,7 А
Итак, для сетей освещения по току нагрузки требуемое сечение провода марки АПРТО (по табл.) составляет 2,5 мм². Однако, для стояков, питающих квартиры, минимально допустимое сечение проводов составляет 6 мм².
Выбираем вводной щит типа МН - 3448-62. На вводе к предохранителю ПН-100 принимаем вставку 80А. Для линий, питающие квартиры, применим вставки на 20А.
8. Электропроводка в доме
Электропроводка в многоэтажном многоквартирном доме выбирается так:
Электропроводка к выключателям, установленным на стене со стороны дверной ручки на высоте 1 м. от пола проводом марки ПВС - 3х2.5 мм2 и ПВС - 2х2.5 мм2 в штрабах по месту.
n1= 36 шт; Площадь однокомнатной квартиры - 55 м2
n2 =12 шт; Площадь двухкомнатной квартиры - 95 м2
n3 =12 шт; Площадь трехкомнатной квартиры - 135 м2
Число розеток в
квартирах:—1 розетка на каждые
площади
комнаты:
55/36=1,5, значит в 1 комнатной квартире -2 розетки в комнате; 2*36 квартир=72 шт.
95/36=2,6, значит в 2-комнатной квартире - 3 розетки в комнатах;3*12квартир=36шт
135/36=3,8, значит в 3-комнатной квартире -4 розетки в комнатах ;4*12квартир=48шт
Итого в комнатах всего дома – 72+36+48=156 розеток*2,2 кВт=343,2 кВт
В коридорах - 3 розетки. (36+12+12)*3=60*3=180 шт*2,2 кВт=396 кВт.
В кухнях – 3 в однокомнатных квартирах ( 1 на ток 6А , 1 на ток 10А для подключения бытового прибора мощностью 2,2кВт (пылесос), 1 на на ток 25А для подключения бытового прибора мощностью до 4 кВт или электроплиты мощностью до 5,8кВт) ; 3*36 = 108 розеток в однокомнатных. Мощность 2*2,2кВт+1*5,8кВт=10,2 кВт*36=367,2кВт
3 в двухкомнатных квартирах ( 1 на ток 6А , 1 на ток 10А для подключения бытового прибора мощностью 2,2кВт (пылесос), 1 на на ток 25А для подключения бытового прибора мощностью до 4 кВт или электроплиты мощностью до 5,8кВт) ; 3*12=36 розеток в двухкомнатных. Мощность 2*2,2кВт+1*5,8кВт=10,2 кВт*12=122,4 кВт
4 в трёхкомнатных квартирах (2 на ток 6А , 1 на ток 10А для подключения бытового прибора мощностью 2,2кВт (пылесос), 1 на ток 40А для подключения электроплиты мощностью от 5,9 до 8кВт). 4*12=48 – в трёхкомнатных. Мощность 3*2,2кВт+1*8кВт =14,6 кВт * 12 =175,2 кВт
Розетки в ванной -1*60=60шт - на ток 10А для подключения бытового прибора мощностью 2,2кВт (стиральная машина). Мощность 60*2,2=132 кВт
Всего в доме розеток: 156+180+192+60 =588
Электропроводка к розетке для ванной - проводом марки ПВС-3х2.5 мм2 в штрабах по месту.
Электропроводка к светильникам - проводами марки ПВ3-3х(1х2.5) мм2 в ПВХ трубах, заложенных в процессе возведения монолитных плит для перекрытий данного этажа.
Электропроводка к ящику ЯК от этажного щитка - проводами марки ПВ3-3х(1х10) мм2 в ПВХ трубах в подготовке пола данного этажа.
В данной работе был выполнен расчёт электрических нагрузок жилого здания, расчет электрической сети жилого здания, выбрана коммутационная аппаратура для защиты питающих линий. На рисунке 5 приведена схема питания жилого дома высотой 6—9 этажей без щита дымозащиты, а на рис.6 — схема питания дома высотой 17 и более этажей. Схема питания жилого дома высотой 10—16 этажей отличается от изображенной на рис.6 тем, что линии к лифтам присоединяются к вводу № 1.

Рис. 5. Схема ВРУ жилого дома высотой 6—9 этажей: 1 — ввод № 1 от ТП; 2 — ввод № 2 от ТП; 3 — граница балансового раздела с электроснабжающей организацией; 4 — расчетный счетчик электроэнергии; 5 — линии рабочего освещении общедомовых помещений; 6 — питающие линии квартир; 7 — АЭО общедомовых помещений; 8 — питающие линии лифтов
Некоторые элементы для квартир являются обязательными. А именно: - наличие автоматов защиты в распределительном щитке. Они должны быть установлены на каждую входящую и выходящую линию, и защищать электроустановку от коротких замыканий и длительных перегрузок. Главная их задача - при возникновении аварийного случая отключить линию так быстро, чтобы не успела загореться проводка. Время отключения должно быть не более 0,4 сек. Таким образом, выбор автоматов должен быть обоснован расчетами.

Рис. 6. Схема ВРУ жилого дома высотой 17 и более этажей: 1 — ввод № 1 от ТП; 2 — ввод № 2 от ТП; 3— граница раздела с электроснабжающей организацией; 4 - станция АВР; 5 - расчетный счетчик электроэнергии; 6 — щиток домоуправления; 7 — линии АЭО общедомовых помещений; 8 — питающие линии систем дымозащиты; 9 — питающие линии лифтов; 10 — питающие линии квартир; 11 — линии рабочего освещения общедомовых помещений
Комплексы ЭП жилых домов высотой более 5 этажей с плитами на газообразном и твердом топливе, а если в них установлены электроплиты, то независимо от этажности (кроме одно-восьми- квартирных домов) относятся ко 2-й категории надежности электроснабжения. Остальные жилые дома относятся к 3-й категории. В каждом жилом доме устанавливается одно (реже два) ВРУ, к которому от ТП прокладывается в зависимости от категории надежности один или два кабельных ввода. Вводно-распределительное устройство жилого дома, относящегося ко 2-й категории, представляет собой 2-хсекционный распред.щит с 2мя переключателями на вводе. Питающие линии от ТП до ВРУ выбирают с учетом работы в послеаварийном режиме, когда выходит из строя 1 питающая линия. В жилых домах 10 и более этажей устанавливаются системы дымозащиты при пожаре, питание которых производится от самостоятельного щита с АВР линиями, присоединяемыми до вводных аппаратов ВРУ. К такому щиту присоединяются также линии, питающие АЭО и огни светового ограждения, а в домах высотой 17 этажей и выше — и линии питания лифтов. Для учета расхода эл.оэнергии каждой квартиры на квартирном щитке устанавливается 1 однофазный счетчик. На ВРУ устанавливаются приборы учета расхода эл.энергии др. потребителей рабочего освещения и АЭО общедомовых помещений, лифтов, устройств дымозащиты и др., причем рабочее освещение и АЭО общедомовых помещений присоединяются к разным входам.